| Вход | |||
| Номинальное напряжение | Диапазон напряжения | Напряжение срабатывания | |
| Минимальное пусковое напряжение | Максимальное пусковое напряжение | ||
| DC 5V 12V 24V | DC 3-32V | DC 2.1V | DC 32V | 
| AC 100V 220V | AC 90-250V | AC 80V | AC 275V | 
| Нагрузка | ||||||||
| Номинал / Спецификации | 10A | 25A | 40A | 60A | 80A | 100A | 120A | 150A | 
| Номинальное напряжение нагрузки | AC 110V 220V 380V 415V 440V | |||||||
| Диапазон напряжения нагрузки | 30-240VAC/90-480VAC | |||||||
| DC/AC | ||||||||||
| Выходные параметры | ||||||||||
| Рабочее напряжение(47-63HZ) | 30-240VAC/90-480VAC | Vrms | ||||||||
| Переходное перенапряжение | 1200 | Vpk | ||||||||
| Максимальный ток утечки при отключении | 0.25 | mAms | ||||||||
| Минимальное значение dv/dt при отключении | 500 | Vμ | ||||||||
| Максимальный ток нагрузки | 10 | 25 | 40 | 60 | 80 | 100 | 120 | 150 | Arms | |
| (50HZ) Одноцикловый импульсный ток | 170 | 250 | 400 | 750 | 1050 | 1200 | 1800 | 2100 | Apk | |
| Максимальное падение напряжения при проводимости | 1.3 | Vp | ||||||||
| Максимальное использование предохранителя l2 t | 128 | 340 | 880 | 2520 | 5500 | 6270 | 6270 | 12800 | A2s | |
| Тепловое сопротивление подложки | 2.2 | 1.7 | 1.7 | 0.25 | 0.155 | 0.155 | 0.15 | 0.15 | ℃W | |
| Параметры управления | ||||||||||
| Диапазон управляющего напряжения | 3-32 | VDC | ||||||||
| Минимальное отключающее напряжение | 1 | VDC | ||||||||
| Максимальный входной ток | 22 | mA | ||||||||
| Минимальный ток проводимости | 0.5 | mA | ||||||||
| Номинальное входное сопротивление | Регулируемый ток | |||||||||
| Максимальное время проводимости | 20 | ms | ||||||||
| Максимальное время размыкания | 30 | ms | ||||||||
| Основные характеристики | ||||||||||
| Рабочая среда | -20 to 80 | ℃ | ||||||||
| Условия хранения | -40 to 100 | ℃ | ||||||||
| Изоляционное напряжение между входом и выходом | 4000 | Vrms | ||||||||
| Нижнее изоляционное напряжение | 2500 | Vrms | ||||||||
| Максимальная ёмкость между входом и выходом | 8 | pF | ||||||||
| Цвет указателя | Red | |||||||||
| Вес продукта | 135 | g | ||||||||
| Название | Вход | Режим индикаторного света | 
| Винты | M3.0 mm | M5.0 mm | 
| Момент затяжки | 0.9-1.1 Nm | 1.7-2.3Nm | 
| Серия ZG3ND 10-150A | ||
| Для 10A и более необходимо использовать специальный радиатор | ![]()  | |
| Для 40A следует использовать комбинацию специального радиатора + охлаждающего вентилятора | ||
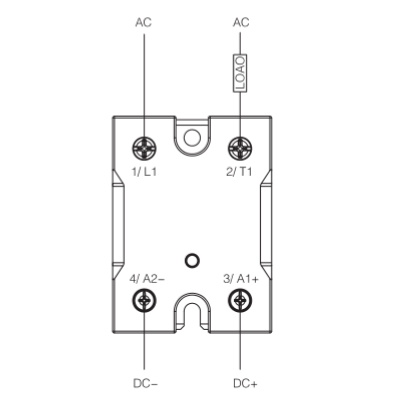
| Схема подключения | 
| DC-AC | 
![]()  | 
| Category | |||||
| AC-AC | |||||
| Модель | Входное напряжение | Напряжение нагрузки | Номинальный ток нагрузки | Режим индикаторного света | |
| Single-phase panel mounting | ZG3ND-310A | 90-280VAC | 30-240VAC/ 90-480VAC  | 10A | Red | 
| ZG3ND-325A | 25A | ||||
| ZG3ND-340A | 40A | ||||
| ZG3ND-360A | 60A | ||||
| ZG3ND-380A | 80A | ||||
| ZG3ND-3100A | 100A | ||||
| ZG3ND-3120A | 120A | ||||
| ZG3ND-3150A | 150A | ||||
| DC-AC | |||||
| Модель | Входное напряжение | Напряжение нагрузки | Номинальный ток нагрузки | Режим индикаторного света | |
| Single-phase panel mounting | ZG3ND-310B | 3-32VDC | 30-240VAC/ 90-480VAC  | 10A | Green | 
| ZG3ND-325B | 25A | ||||
| ZG3ND-340B | 40A | ||||
| ZG3ND-360B | 60A | ||||
| ZG3ND-380B | 80A | ||||
| ZG3ND-3100B | 100A | ||||
| ZG3ND-3120B | 120A | ||||
| ZG3ND-3150B | 150A | ||||